產品編號:SIQ…ES 12~100
滑動磨擦副:鋼/鋼
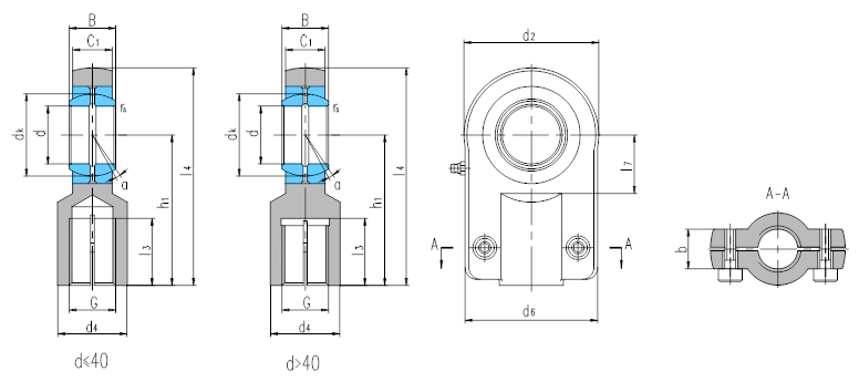
產品特點:帶鎖口桿端關節軸承由桿端體和向心關節軸承GE…ES組裝而成,桿端體材料是碳鋼,桿端體的內螺紋帶有鎖口,配有螺釘緊固;可通過油杯潤滑。
使用溫度范圍:-50℃~+150℃
軸 承 型 號 Bearing number 外 形 尺 寸 Dimensions mm 額定載荷 Load Ratings kN 鎖 緊 螺 釘 Screw 重量 Weight ≈kg d B dK C1 d2 G 6H h1 l3 l4 l7 d4 d6 b rs α? ≈ 動載荷 Dynamic 靜載荷 Static SIQ12E 1) 12 10 18 8 35 M10×1.25 42 15 59.5 16 17 35 13 0.3 10 10 17 M6×12 0.12 SIQ16ES 2) 16 14 25 11 45 M12×1.25 48 17 70.5 20 21 45 13 0.3 10 21 28.5 M6×12 0.22 SIQ20ES 2) 20 16 29 13 55 M14×1.5 58 19 85.5 25 25 55 17 0.3 9 30 42.5 M8×16 0.43 SIQ25ES 25 20 35.5 17 65 M16×1.5 68 23 100.5 30 30 62 17 0.6 7 48 67 M8×16 0.67 SIQ30ES 30 22 40.7 19 80 M20×1.5 85 29 125 35 36 77 19 0.6 6 62 108 M10×20 1.25 SIQ40ES 40 28 53 23 100 M27×2 105 37 155 45 45 90 23 0.6 7 99 156 M10×25 2.16 SIQ50ES 50 35 66 30 120 M33×2 130 54 190 58 55 105 30 0.6 6 156 245 M12×30 3.90 SIQ60ES 60 44 80 38 160 M42×2 150 65 230 68 68 134 36 1 6 245 380 M16×35 8.2 SIQ80ES 80 55 105 47 205 M48×2 185 75 287.5 92 90 156 45 1 6 400 585 M20×45 16.2 SIQ100ES 100 70 130 57 240 M64×3 240 102 360 116 110 190 55 1 7 607 865 M24×55 28.4
1) 無潤滑通道。
2)只能通過桿端眼孔潤滑。
桿端體采用碳鋼鍛造。
可裝自潤滑向心關節軸承。
若是左旋螺紋,軸承型號和螺紋標記需加“L”和“左”,例如:SILQ40ES M27×2左-6H。

